Sponsored

antho

Well-known member
First Name
Anthony
Joined
Sep 20, 2021
Threads
4
Messages
1,095
Reaction score
1,033
Location
Houston, Texas
Vehicles
2024 Raptor 37
I don't see an update in Forscan spreadsheet - has anyone successfully gotten Glare Free working in a 2024? I went through it originally when I first got it 3 months ago, but the HCM module settings don't seem to line up. Was wondering if anybody had worked through these settings further.
@morganmack No. Ford removed it from the software.
Sponsored

 

jordandev

Well-known member
First Name
Jordan
Joined
Feb 26, 2021
Threads
7
Messages
190
Reaction score
85
Location
Canada
Vehicles
2021 F150 XLT 302A (on order...)
Looking for how to get 360 cameras at speed (again as I used to have it...).

So I did the "Enable Cameras at Speed" changes sometime 1-2 years ago and had 360 camera at speed working. After a bunch of FDRS updates some months later this went away.

So I'm wanting it back and did the "Enable Cameras at Speed" changes again. When moving I currently can show the bed, hitch, and rear cameras. But no 360 split view option shows. Is there still a way to enable 360 at speed with all the latest updates?
 
Last edited:

Maynor

New member
Joined
Jul 22, 2024
Threads
0
Messages
4
Reaction score
0
Location
Philly
Vehicles
F150 PB
Ford F-150 2021+ F-150 FORScan List / Database / Spreadsheet 1721854323277-3g


Ugh. Getting the exact same error on the Google website. I've tried three different PCs from work and home and it just started coming up with that error message after initially flashing up the first page of the spreadsheet.

Any chance anyone has screen shots of the common changes for a 2021 Powerboost? (double honk elimination, global windows, Camera in motion, turn off pedestrian speaker?)

Would rather have the spreadsheet up live but that doesn't seem to be an option at the moment and I'm bummed given all the effort put into it.
 

Captain Dirty Beard

Well-known member
Joined
Jun 20, 2024
Threads
11
Messages
336
Reaction score
360
Location
Colorado
Vehicles
2023 Lariat Powerboost, 2022 MACH1 HP
1721854323277-3g.jpg


Ugh. Getting the exact same error on the Google website. I've tried three different PCs from work and home and it just started coming up with that error message after initially flashing up the first page of the spreadsheet.

Any chance anyone has screen shots of the common changes for a 2021 Powerboost? (double honk elimination, global windows, Camera in motion, turn off pedestrian speaker?)

Would rather have the spreadsheet up live but that doesn't seem to be an option at the moment and I'm bummed given all the effort put into it.
Ford F-150 2021+ F-150 FORScan List / Database / Spreadsheet 1721854724011-5c


Ford F-150 2021+ F-150 FORScan List / Database / Spreadsheet 1721854766321-gt


Ford F-150 2021+ F-150 FORScan List / Database / Spreadsheet 1721854789597-th
 

powerboatr

Well-known member
First Name
Robert
Joined
May 9, 2022
Threads
173
Messages
4,343
Reaction score
5,427
Location
North East Texas, Piney Woods
Vehicles
2024 F250 King Ranch Chrome
Occupation
Retired Navy Senior Chief

Sponsored

Maynor

New member
Joined
Jul 22, 2024
Threads
0
Messages
4
Reaction score
0
Location
Philly
Vehicles
F150 PB
[QUOTE="Captain Dirty Beard, post: 486637, member: 238
[/QUOTE

THANK YOU!
 

fordtruckman2003

Well-known member
Joined
Apr 28, 2023
Threads
26
Messages
4,587
Reaction score
3,746
Location
Indy
Vehicles
2021 F-150 FX4 Lariat
that was DUMB as dumb as dumb can get
glare free is simply life changing on dark roads
Thought someone here said the lights are physically different. Don't have the parts to perform glare free. Ford quietly killed a feature probably to cheapen up the part cost.
 

powerboatr

Well-known member
First Name
Robert
Joined
May 9, 2022
Threads
173
Messages
4,343
Reaction score
5,427
Location
North East Texas, Piney Woods
Vehicles
2024 F250 King Ranch Chrome
Occupation
Retired Navy Senior Chief
Thought someone here said the lights are physically different. Don't have the parts to perform glare free. Ford quietly killed a feature probably to cheapen up the part cost.
Yes I believe so
Or ford figured out we activated them
And 2025 will be factory option only??????
 

fordtruckman2003

Well-known member
Joined
Apr 28, 2023
Threads
26
Messages
4,587
Reaction score
3,746
Location
Indy
Vehicles
2021 F-150 FX4 Lariat

Sponsored


Mick Dundee

Member
First Name
Scott
Joined
Jul 25, 2024
Threads
0
Messages
12
Reaction score
12
Location
Western Australia
Vehicles
24 (MY23) F150 XLT 3.5 S-CREW
Occupation
Business Owner
Hi from the land down under!
So the F150 is now officially available here in Australia through Ford Dealerships. I believe this is the first time these vehicles have had full factory backing down here which is very cool.
Lets no ruin this vibe by saying what an F150 costs down here but that is the way it goes when the vehicle leaves the factory in the U.S. as a LHD and finally ends up being sold on the other side of the planet as a RHD!
I'm not sure how many folks on here are from Aus. currently, but If I found you, I'm sure others will as the sales ramp up.

So, I have a 2024 (But 23MY) XLT 3.5 S-Crew.
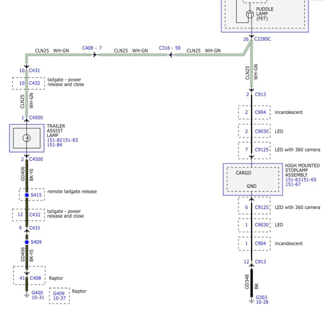
When delivered it had a nice little LED downlight mounted in the tailgate handle that illuminated the tow hitch at night.
Unfortunately, it turned out that this light did not comply with our regulations over here (No Idea why!) and so Ford "Disabled" it for me whilst the vehicle was in for its first service.
I am trying to reinstate the light as it is completely fine to have it (No problem to have/install a rear facing "Work light" on your vehicle), just not for the vehicle to be sold new with one. Yes, this really is as stupid as it sounds!
So, I have been making friends with Forscan, as I very much doubt Ford have done anything physical to disable the light.
If I had known then, what I know now, I could have simply backed up my "As Built" data but I have now lost that window of opportunity as it has been a few weeks since the light was disabled and the "As Built" data in the cloud has been updated.
I have has a pretty good swing at fixing this with Forscan but have not been able to crack it as yet.
I reckon the issue is one or more of the values in the addresses of:
726-48-01 or 726-48-02 or 726-81-01
I have tried multiple changes/combinations in these addresses but can't seem to crack it.
I am wondering if someone that has a similar vehicle, (with this light being functional of course) could send me their As Built data for these addresses that I can use this as a reference.
Or maybe point me in the right direction if you feel I am looking in the wrong place?

Lastly, when you Google Forscan some of the results are hilarious!

Thanks in advance

Cheers

Scott
 

fordtruckman2003

Well-known member
Joined
Apr 28, 2023
Threads
26
Messages
4,587
Reaction score
3,746
Location
Indy
Vehicles
2021 F-150 FX4 Lariat
Hi from the land down under!
So the F150 is now officially available here in Australia through Ford Dealerships. I believe this is the first time these vehicles have had full factory backing down here which is very cool.
Lets no ruin this vibe by saying what an F150 costs down here but that is the way it goes when the vehicle leaves the factory in the U.S. as a LHD and finally ends up being sold on the other side of the planet as a RHD!
I'm not sure how many folks on here are from Aus. currently, but If I found you, I'm sure others will as the sales ramp up.

So, I have a 2024 (But 23MY) XLT 3.5 S-Crew.
When delivered it had a nice little LED downlight mounted in the tailgate handle that illuminated the tow hitch at night.
Unfortunately, it turned out that this light did not comply with our regulations over here (No Idea why!) and so Ford "Disabled" it for me whilst the vehicle was in for its first service.
I am trying to reinstate the light as it is completely fine to have it (No problem to have/install a rear facing "Work light" on your vehicle), just not for the vehicle to be sold new with one. Yes, this really is as stupid as it sounds!
So, I have been making friends with Forscan, as I very much doubt Ford have done anything physical to disable the light.
If I had known then, what I know now, I could have simply backed up my "As Built" data but I have now lost that window of opportunity as it has been a few weeks since the light was disabled and the "As Built" data in the cloud has been updated.
I have has a pretty good swing at fixing this with Forscan but have not been able to crack it as yet.
I reckon the issue is one or more of the values in the addresses of:
726-48-01 or 726-48-02 or 726-81-01
I have tried multiple changes/combinations in these addresses but can't seem to crack it.
I am wondering if someone that has a similar vehicle, (with this light being functional of course) could send me their As Built data for these addresses that I can use this as a reference.
Or maybe point me in the right direction if you feel I am looking in the wrong place?

Lastly, when you Google Forscan some of the results are hilarious!

Thanks in advance

Cheers

Scott
Possible they popped open tailgate cover and physically disconnected it.

At least one member here from down there.

@SilverPigeon did they neuter your rear tailgate light too?
 

HammaMan

Well-known member
Joined
Sep 7, 2022
Threads
123
Messages
8,526
Reaction score
9,934
Location
SE US
Vehicles
2022 307a PB
Hi from the land down under!
So the F150 is now officially available here in Australia through Ford Dealerships. I believe this is the first time these vehicles have had full factory backing down here which is very cool.
Lets no ruin this vibe by saying what an F150 costs down here but that is the way it goes when the vehicle leaves the factory in the U.S. as a LHD and finally ends up being sold on the other side of the planet as a RHD!
I'm not sure how many folks on here are from Aus. currently, but If I found you, I'm sure others will as the sales ramp up.

So, I have a 2024 (But 23MY) XLT 3.5 S-Crew.
When delivered it had a nice little LED downlight mounted in the tailgate handle that illuminated the tow hitch at night.
Unfortunately, it turned out that this light did not comply with our regulations over here (No Idea why!) and so Ford "Disabled" it for me whilst the vehicle was in for its first service.
I am trying to reinstate the light as it is completely fine to have it (No problem to have/install a rear facing "Work light" on your vehicle), just not for the vehicle to be sold new with one. Yes, this really is as stupid as it sounds!
So, I have been making friends with Forscan, as I very much doubt Ford have done anything physical to disable the light.
If I had known then, what I know now, I could have simply backed up my "As Built" data but I have now lost that window of opportunity as it has been a few weeks since the light was disabled and the "As Built" data in the cloud has been updated.
I have has a pretty good swing at fixing this with Forscan but have not been able to crack it as yet.
I reckon the issue is one or more of the values in the addresses of:
726-48-01 or 726-48-02 or 726-81-01
I have tried multiple changes/combinations in these addresses but can't seem to crack it.
I am wondering if someone that has a similar vehicle, (with this light being functional of course) could send me their As Built data for these addresses that I can use this as a reference.
Or maybe point me in the right direction if you feel I am looking in the wrong place?

Lastly, when you Google Forscan some of the results are hilarious!

Thanks in advance

Cheers

Scott
That tailgate light is connected to the white light above the bed so they'd have to disconnect it or cut the wire.

Ford F-150 2021+ F-150 FORScan List / Database / Spreadsheet 1721928555013-74
 

Mick Dundee

Member
First Name
Scott
Joined
Jul 25, 2024
Threads
0
Messages
12
Reaction score
12
Location
Western Australia
Vehicles
24 (MY23) F150 XLT 3.5 S-CREW
Occupation
Business Owner
Thanks for your replies.
Unless they have been very creative, the wiring has not been touched. I was onto the fact that they may have simply "Pulled the plug" on the lamp so before embarking on the whole Forscan journey, I checked that the light is still physically connected (And it is). The two white lights in the high level light also still function so it is my belief that I am chasing a programming solution rather than a physical one.
But I now know Ford are calling this light a "Trailer Assist Light" so I can go looking for a Forscan address for this. I had been focusing on "Puddle Light" or "Courtesy Light" adresses without sucess.
I would still be interested If anyone with a similar vahicle wanted to send me their :As built" values for these adresses
726-48-01 or 726-48-02 or 726-81-01.

As someone raised on a diet of Mid sized diesel 4x4 "Utes" I must say I am loving this truck.

Cheers

Scott
 

HammaMan

Well-known member
Joined
Sep 7, 2022
Threads
123
Messages
8,526
Reaction score
9,934
Location
SE US
Vehicles
2022 307a PB
Thanks for your replies.
Unless they have been very creative, the wiring has not been touched. I was onto the fact that they may have simply "Pulled the plug" on the lamp so before embarking on the whole Forscan journey, I checked that the light is still physically connected (And it is). The two white lights in the high level light also still function so it is my belief that I am chasing a programming solution rather than a physical one.
But I now know Ford are calling this light a "Trailer Assist Light" so I can go looking for a Forscan address for this. I had been focusing on "Puddle Light" or "Courtesy Light" adresses without sucess.
I would still be interested If anyone with a similar vahicle wanted to send me their :As built" values for these adresses
726-48-01 or 726-48-02 or 726-81-01.

As someone raised on a diet of Mid sized diesel 4x4 "Utes" I must say I am loving this truck.

Cheers

Scott
Check the LED with a multi-meter and see if they didn't reverse voltage cook it.
Sponsored

 
 







Top